EA07.001.004 | Регулятор температуры RT-821.1 (от -4 до +5 град.C; выносной датчик; гистерезис 30 град.C; монтаж на DIN-рейке 35мм 230В 16А 1P IP20) F&F
|
Код товара
|
320304 |
|
Артикул
|
EA07.001.004 |
|
Бренд
|
Евроавтоматика F&F |
|
Исполнение
|
Аналоговый |
|
Степень защиты IP
|
IP20 |
|
Ширина в числах модульных расстояний
|
1 |
|
Номинальная частота с
|
50 Гц |
|
Номинальная частота по
|
50 Гц |
|
Номинальное напряжение с
|
230 В |
|
Номинальное напряжение по
|
230 В |
|
Количество каналов
|
1 |
|
Недельная программа
|
Нет |
|
Тип контакта
|
Переключающий контакт |
|
Диапазон настройки понижения температуры с, град.C
|
-4 град.C |
|
Диапазон настройки понижения температуры по, град.C
|
5 град.C |
|
Руководство на дисплее
|
Нет |
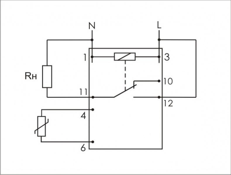
Монтаж на DIN-рейку.
Для контроля и поддержания заданного температурного режима путем включения / выключения нагревательной/охлаждающей установки по сигналам выносного датчика температуры.
В зависимости от выполняемой задачи исполнительное устройство (нагреватель или охладитель) подключаются к определённым контактам выходного реле. При достижении заданной на панели прибора температуры происходит выключение нагревателя (охладителя). Например, в случае нагрева при снижении температуры в контролируемой зоне ниже заданной контакты исполнительного реле замыкаются включается нагреватель. По достижении заданной температуры контакты исполнительного реле размыкаются и нагреватель отключается. При понижении температуры на величину установленного гистерезиса контакты реле замыкаются, и нагреватель включается снова. Для случая охлаждения принцип работы аналогичен.
Особенности:
датчик RT в комплекте;
напряжение питания 230 В AC;
диапазон регулируемых температур -4...+5°C ;
гистерезис 3°C ;
контакт - 1NO/NC (16 А).
Вы можете выбрать один из трёх вариантов оплаты:
При выборе варианта оплаты наличными, вы дожидаетесь приезда курьера и передаёте ему сумму за товар в рублях. Курьер предоставляет товар, который можно осмотреть на предмет повреждений, соответствие указанным условиям. Покупатель подписывает товаросопроводительные документы, вносит денежные средства и получает чек.
Также оплата наличными доступна при самовывозе из магазина, оплаты по почте или использовании постамата.
При оформлении заказа в корзине вы можете выбрать вариант безналичной оплаты. Мы принимаем карты Visa и Master Card. Чтобы оплатить покупку, вас перенаправит на сервер системы ASSIST, где вы должны ввести номер карты, срок действия, имя держателя.
Вам могут отказать от авторизации в случае:
- если ваш банк не поддерживает технологию 3D-Secure;
- на карте недостаточно средств для покупки;
- банк не поддерживает услугу платежей в интернете;
- истекло время ожидания ввода данных;
- в данных была допущена ошибка.
В этом случае вы можете повторить авторизацию через 20 минут, воспользоваться другой картой или обратиться в свой банк для решения вопроса.
Безналичным расчётом можно воспользоваться при курьерской доставке, использовании постамата или самовывоза из магазина.
Для оплаты вы можете воспользоваться одной из электронных платёжных систем:
- PayPal;
- WebMoney;
- Яндекс.Деньги.
Вас перенаправит на страницу платежного сервиса, следуя инструкциям, заполните правильную форму.
Наш интернет-магазин предлагает несколько вариантов доставки:
- курьерская;
- самовывоз из магазина;
- постаматы;
- почта России.
Вы можете заказать доставку товара с помощью курьера, который прибудет по указанному адресу в будние дни и субботу с 9.00 до 19.00. Курьерская служба, после поступления товара на склад, свяжется с вами и предложит выбрать удобное время доставки. Уточнит адрес.
Вы вскрываете упаковку при курьере, осматриваете на целостность и соответствие указанной комплектации. Если речь идёт об одежде, допустима примерка. Время осмотра и примерки ограничено 15 минутами. После вы можете отказаться частично или полностью от покупки.
Доставка бесплатна при заказе от 3000 рублей.
*Действует ли в вашем городе курьерская служба, уточняйте у менеджера магазина.
Вы можете забрать товар в одном из магазинов, сотрудничающих с нами. Список торговых точек, которые принимают заказы от нашей компании появится у вас в корзине. Когда заказ поступит в ваш город, вам придёт уведомление. Вы просто идёте в этот магазин, обращаетесь к сотруднику в кассовой зоне и называете номер заказа. Забрать покупку может ваш друг или родственник, который знает номер и имя, на кого он оформлен.
Постамат – это терминал с автоматизированной системой для хранения заказанных товаров. Удобство в том, что человек может забрать заказ в любое удобное время.
- в момент оформления заказа на сайте, вы выбираете удобный для себя постамат, если такая система работает в вашем городе;
- на ваш телефон или e-mail придет уникальный код, это значит, что товар доставлен в постамат;
- вы приходите к постамату, вводите полученный код и следует инструкциям автомата;
- оплачиваете заказ в терминале постамата;
- забираете товар.
Срок хранения в постамате 3 дня, но можно продлить ещё на аналогичный срок. Чтобы уточнить информацию и продлить время хранения зайдите на сайт нашего партнера, введите номер заказа и телефон и следуйте подсказкам на сайте.
Если в вашем городе не действует курьерская служба и постаматы, то вы можете заказать доставку через почту России. Сразу по прибытии товара, на ваш адрес придет извещение о посылке.
Перед оплатой вы можете оценить состояние коробки (не вскрывая): вес, целостность. Если вам кажется, что заказ не соответствует параметрам или коробка повреждена, попросите сотрудника почты составить акт о вскрытии. Вскрывать коробку самостоятельно вы можете только после того, как оплатили заказ.
Один заказ может содержать не больше 10 позиций и его стоимость не должна превышать 100 тысяч рублей.



